電動機作為當代最重要的機電能量轉換器,其應用已經在人們的生活中和國民經濟發展的各個領域中普及。據資料統計,在所有的動力能源中,其中百分之九十以上來源于電動機。在電氣時代,電動機的轉速控制大多采用模擬法,對電動機進行簡單控制的應用比較普及。簡單控制是指對電動機進行啟動,制動,順序控制和正反轉控制。這類控制可通過繼電器,可編程控制器和開關元件來實現。還有一類控制稱為復雜控制,是指對電動機的轉矩,轉角,轉速,轉矩,功率,電壓,電流等物理量進行控制。本方案可以進行簡單控制也可以進行復雜控制電機,實現一體兩用。
1.工作原理與分析
UC3842芯片是一種高性能固定頻率電流型控制器,內部包含誤差放大器、PWM比較器、PWM鎖存器、振蕩器、內部基準電源和欠壓鎖定等單元。本系統的總體設計框圖如圖1所示。市電先經過整流和濾波電路變成直流電壓,再經過功率開關管斬波、高頻變壓器降壓,得到高頻矩形波電壓,最后通過整流濾波后獲得所需要的直流輸出電壓。通過開關控制模式,模式1由數字晶體管控制輸出的恒定電壓,該設計模式1下分3檔,模式2由MCU通過改變PWM,來控制驅動電路的輸出。

圖1 系統設計框圖
2.硬件設計
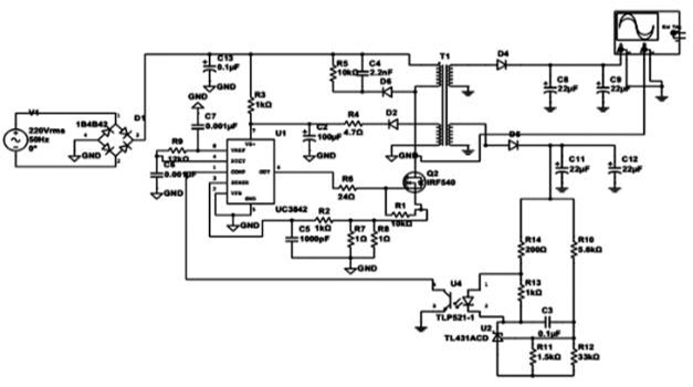
該設計的開關電源部分如圖2所示。它主要由電源電路、主電路、控制電路、反饋電路構成。本設計為AC-DC電源轉換電路,輸入電壓為90~240VAC,輸出為5V和24V。

圖2 電路原理圖
模式1下的電路,外部給數字晶體管信號,以此來控制三路中一路的輸出,當某路有控制信號時,晶體管導通,該路連接TL431的電阻接地,使TL431的陰極上形成誤差電壓,使發光二極管工作電流發生變化,從而來調節UC3842的輸出,有效的改變了其輸出,實現恒壓輸出。模式2下的電路,通過MCU輸出PWM波對H橋進行控制,以此來進行電機控制。
3.實驗結果驗證
各部分參數經過計算后,對整個開關電源部分進行仿真。仿真圖如圖3所示。并用示波器進行觀察開關管的波形,以及輸出波形。

圖3 仿真電路
漏源極電壓波形如圖4所示。從圖中可以看出來符合設計標準。

圖4 漏源極電壓
輸出電壓波形如圖5所示。電壓基本恒定在24V上下,紋波也在100mV左右。符合設計要求。

圖5 輸出電壓
在確保電源能夠正常工作后,進行雙模控制的測試。模式1下通過給3個數字晶體管信號,改變了UC3842的PWM波,實現了三個檔位的恒壓輸出。
通過改變模式,再模式2下,開關電源的輸出與H橋相連接,MCU對驅動電路輸出特定的PWM波,使電機能夠智能化實現變速。
結束語
本文總結了基于UC3842設計了一種雙模控制電機的方法。為了驗證方案的可行性和實用性,依照設計制作了實物等,經過測試也達到了預期的目標。本設計電路簡單,制作成本低,基于以上優點,本設計適合用在低成本的電機控制領域。
電話:18923864027(同微信)
QQ:709211280
〈烜芯微/XXW〉專業制造二極管,三極管,MOS管,橋堆等,20年,工廠直銷省20%,上萬家電路電器生產企業選用,專業的工程師幫您穩定好每一批產品,如果您有遇到什么需要幫助解決的,可以直接聯系下方的聯系號碼或加QQ/微信,由我們的銷售經理給您精準的報價以及產品介紹

