眾所周知,離子滲氮工藝對爐體內壓強的控制要求比較高,因此本文設計了一種基于L298N芯片驅動直流電動機控制的氣體流量控制器,可用于控制反應爐的抽氣氣體流量。那么我們先來了解離子滲氮理論吧:
1.離子滲氮理論
滲氮是強化金屬表面的一種化學熱處理方法,他是將金屬零件置于活性氮的介質中,在一定溫度和保溫時間下,使氮元素滲入金屬表層,從而改變金屬層的化學成份,使之具有高的耐磨性、疲勞強度、抗蝕能力及抗燒傷性等,因而在工業上獲得廣泛應用。
離子滲氮是在低溫等離子中進行的,低氣壓氣體在電場作用下使之電離,產生高能離子和高能中性原子,這些高能粒子可以改善滲層組織結構和促進化學反應過程,加速滲氮層的形成。離子滲氮是在輝光放電中進行,在離子滲氮過程中對爐體的壓強控制精度要求比較高,控制偏差幾十帕。根據帕邢定律:

其中:P為氣體壓強;
d為平行板電極間距離;
V為陰極二次電子發射系數;
B為斯托列夫常數;
A是常數。
對式(1)求導,可得出擊穿電壓表達式(2):

由式(2)可知,擊穿電壓V與氣體壓強和d有關,而一般實驗中d是固定不變,因此離子滲氮對壓強控制極為重要。
2.系統流量與壓強測控框圖
流量計控制進氣口的氣體流量,當進氣和抽氣流量平衡時,爐體壓強保持穩定。由于爐體氣體泄露及其他干擾因素的影響,爐體壓強上下波動,系統偏離平衡態,嚴重時影響等離子工藝處理。我們采用普通直流電動機,通過L298N驅動直流電動機,由電動機通過減速桿帶動錐體轉動。當錐體旋進時,抽氣機單位時間內抽出氣體減少;旋出時,抽出氣體增多,從而使爐體內的壓強穩定在所需的值。爐體壓強的變化通過壓強傳感器測出并通過變送器,將氣體流量控制器送至反饋電壓。抽氣口采用電動真空蝶閥價格昂貴,如圖1所示。

圖1 系統流量與壓強測控框圖
3.L298N芯片介紹
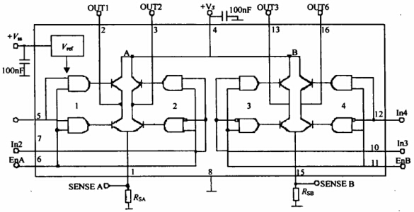
L298N可接受標準TTL邏輯電平信號VSS,VSS可接4.5~7V電壓。4腳VS接電源電壓,VS電壓范圍VIH為+2.5~46V。輸出電流可達2.5A,可驅動電感性負載。1腳和15腳下管的發射極分別單獨引出以便接入電流采樣電阻,形成電流傳感信號。L298可驅動2個電動機,OUT1,OUT2和OUT3,OUT4之間可分別接電動機,本實驗裝置我們選用驅動一臺電動機。5,7,10,12腳接輸入控制電平,控制電機的正反轉。EnA,EnB接控制使能端,控制電機的停轉。圖2是L298N內部功能模塊,表1是L298N功能邏輯圖。

圖2 L298N內部功能模塊

In3,In4的邏輯圖與表1相同。由表1可知EnA為低電平時,輸入電平對電機控制起作用,當EnA為高電平,輸入電平為一高一低,電機正或反轉。同為低電平電機停止,同為高電平電機剎停。
4.控制器原理
圖3是控制器原理圖,由3個虛線框圖組成:

圖3 控制器原理圖
下面是3個虛線框圖功能:
(1)虛線框圖1控制電機正反轉,U1A,U2A是比較器,VI來自爐體壓強傳感器的電壓。當VI》VRBF1時,U1A輸出高電平,U2A輸出高電平經反相器變為低電平,電機正轉。同理VI《VRBF1時,電機反轉。電機正反轉可控制抽氣機抽出氣體的流量,從而改變爐體壓強。
(2)虛線框圖2中,U3A,U4A兩個比較器組成雙限比較器,當VB《VI《VA時輸出低電平,當VI》VA,VI《VB時輸出高電平。VA,VB是由爐體壓強轉感器轉換電壓的上下限,即反應爐體壓強控制范圍。根據工藝要求,我們可自行規定VA,VB的值,只要爐體壓強在VA,VB所確定范圍之間電機停轉(注意VB《VRBF1《VA,如果不在這個范圍內,系統不穩定)。
(3)虛線框圖3是一個長延時電路。U5A是一個比較器,Rs1是采樣電阻,VRBF2是電機過流電壓。Rs1上電壓大于VREF2,電機過流,U5A輸出低電平。由上面可知,框圖1控制電機正反轉,框圖2控制爐體壓強的紋波大小。當爐體壓強太小或太大時,電動機轉到兩端固定位置停止,根據直流電機穩態運行方程:

其中:Ф為電機每極磁通量;
Ce為電動勢常數;
N為電機轉數;
Ia為電樞電流;
Ra電樞回路電阻。
電機轉數N為0,電機的電流急劇增加,時間過長將會使電機燒壞。但電機起動時,電機中線圈中的電流也急劇變大,因此我們必須把這兩種狀態分開。長延時電路可把這兩種狀態區分出來。長延時電路工作原理:當Rs1過流U5A產生一個負脈沖經過微分后,脈沖觸發555的2腳,電路置位,3腳輸出高電平,由于放電端7腳開路,C1,R5及U6A組成積分器開始積分,電容C1上的充電電壓線性上升,延時運放積分常數為100R5C1。當C1上充電電壓,即6腳電壓超過2/3VCC,555電路復位,輸出低電平。電機啟動時間一般小于0.8s,C1充電時間一般為0.8~1s。U5A輸出電平與555的3腳輸出電平經U7相或,如果U5A輸出低電平大于C1充電時間,U7在C1充電后輸出低電平由與門U8輸入到L298N的6腳ENA端使電機停止。如果U5A的輸出電平小于C1充電時間,6腳不動作電機的正常啟動。長延時電路吸收電機啟動過流電壓波形,從而使電機正常啟動。
小結
本文總結了基于L298N芯片對離子滲氮中壓強的控制設計方案,經證明采用此控制器控制氣體流量,可降低生產成本,提高系統性價比,改善整個系統控制的控制動態性能和穩定性能。
電話:18923864027(同微信)
QQ:709211280
〈烜芯微/XXW〉專業制造二極管,三極管,MOS管,橋堆等,20年,工廠直銷省20%,上萬家電路電器生產企業選用,專業的工程師幫您穩定好每一批產品,如果您有遇到什么需要幫助解決的,可以直接聯系下方的聯系號碼或加QQ/微信,由我們的銷售經理給您精準的報價以及產品介紹

