我們都見過很多太陽能燈,它們的價格非常便宜。但是用購買太陽能燈的錢無法從商店購買太陽能電池板、鎳氫電池。而且它們還有一個缺點,即電池不能滿足蓄電和用電的需求,整個使用過程并不是完整的循環,這種太陽能燈的壽命非常短。大多數燈整夜都不亮,原因有很多,比如電池壞/舊、太陽能電池板小、電子設備糟糕等等。針對這種情況,可以使用超級電容器代替電池,持續時間會更長。
太陽能草坪燈是一個獨立的太陽能發電系統。它能夠獨立地完成把太陽能轉換為電能,并能把電能轉換成熱能供照明和裝飾使用,而不需要電線的傳輸。即使是在陰天,這個太陽能發電機(太陽能板)也可以收集,存儲太陽能量。由于蓄電池壽命短以及不環保,因此本文介紹了一種基于超級電容器太陽能草坪燈的設計方法。超級電容器作為一種充電快、壽命長、綠色環保型儲能元件,它給太陽能產品的發展帶來了新的活力。

太陽能草坪燈
1.設計選擇
1.1光源選擇
由于LED技術目前已經實現了關鍵性突破,同時性能價格比也有較大地提高。現在的LED壽命已可達到100,000h以上,而且工作電壓低,非常適合應用于太陽能草坪燈上。另外,LED由低壓直流供電,其光源控制成本低,可以調節明暗,并可頻繁開關,而且不會對LED的性能產生不良影響。因此,從可靠性、性價比、色溫和發光效率等幾個方面綜合考慮,設計時可選擇額定電壓為3.3 V、工作電流為6 mA的超亮LED作為光源。由于草坪燈不但要有裝飾作用,還要有一定的照明功能,故可選擇8個LED使用。
1.2太陽能電池選擇
太陽能電池是依據半導體PN結的光伏效應原理把太陽光能轉化為電能的半導體器件,是超級電容器太陽能草坪燈的核心器件。太陽能電池性能的好壞直接決定著能量的轉換效率及輸出電壓的穩定性,同時也直接決定了超級電容器太陽能草坪燈的性能。因此,設計時應采用性價比比較好的單晶硅太陽能電池。
由于地球上各個地區的太陽年總輻射量與平均峰值日照時數不同,太陽能草坪燈的設計和燈的使用地理位置是有關系的,太陽能電池組件額定輸出功率和燈具的輸入功率之間的關系大約是2~4:1,具體比例要根據燈的每天工作時間以及對連續陰雨天的照明要求決定。本系統的太陽能電池的功率為3.3V×0.006×8=0.1584 W,假設每天工作12個小時,太陽能電池功的效率為40%,每天有效工作時間為5小時,則可選用3 W/6 V的太陽能電池。
1.3超級電容選擇
由于太陽能電池的輸入能量極不穩定,同時草坪燈只是在周圍光線較弱時才發光,因而必需配置蓄電系統才能有效工作。現階段普遍采用鉛酸蓄電池、Ni-Cd蓄電池或Ni-H蓄電池,但采用蓄電池作為蓄電系統有許多缺陷:首先可充電型蓄電池的充電次數有限(小于1000次),使用壽命較短;其次,由于其化學結構的影響,它不能進行大電流充電;第三,蓄電池需要有防過充、防過放以及溫度補償等控制電路,而且控制電路比較復雜;第四,可充電型蓄電池主要利用化學反應來進行充放電,電池中的廢物會對環境產生污染,不屬于環保產品。
因此,本產品中選用超級電容做為儲能元件。該電容具有法拉級的超大電容量,超強的荷電保持能力,且漏電流非常小,8小時電壓下降率小于5%;無須特別的充電電路和控制放電電路,充電迅速,而且可以在僅高于其漏電流(典型值約為1 mA)的狀態下充電,因此,即使在陰天,太陽能電池也能對超級電容器充電;與蓄電池相比,其過充、過放都不對其壽命構成負面影響,可靠性高、使用壽命長(充放電循環壽命在10萬次以上);此外還具有優良的溫度性能,可在-40℃~75℃的環境溫度中正常使用;無污染,是一種綠色電源;可焊接,而且不存在像蓄電池那樣接觸不牢固等問題。
本太陽能草坪燈產品選用5.0V/225 F電容器模塊,其單只電容器產品的ESR(DC)只有20mΩ,直徑25 mm,高為48 mm。5 V/225 F超級電容器充電時間為(在充電電流為450mA的情況下):

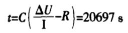
式中:C-電容器額定容量;△U-電容器工作電壓變化;I-電容器充電電流;t-電容器充電時間。
超級電容器放電時間為:

式中:ESR為電容器的直流內阻。5 V/225 F超級電容器可從5 V放電到0.6 V。
2.系統控制電路設計
2.1充電電路
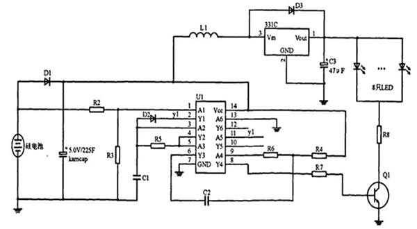
本系統中的充電電路由防過壓和防反充電路構成,圖1所示為其充電電路,圖中的ZD1為5.6V穩壓二極管,當電池電壓高于5.6 V時,Q2導通,硅電池全部電流通過電阻Q2消耗掉,當硅電池電壓降到5.6 V以下時,Q2截至,硅電池給超級電容充電,并同時保護超級電容。

圖1 充電電路
防止反充電控制電路可以保證在太陽能電池輸入電壓低于超級電容電壓時,超級電容不會反向對太陽能電池充電,以免造成不必要的能量損耗。反充電控制可由圖1中的二極管D1來完成,這個二極管選用肖特基二極管,因為肖特基二極管的導通壓降比普通二極管低。
2.2驅動LED穩壓電路
由于所選用的LED燈的額定電壓為3.3 V,而超級電容器的電壓為5.0 V,并且超級電容器在放電過程中電壓會不斷降低,因此需要有穩壓電路來驅動LED。本文選用CMOS工藝制造且靜態電流極低的VFM開關型DC/DC升壓穩壓器,該芯片內部包括VFM控制電路、LX開關驅動晶體管、基準電壓單元、振蕩器、誤差比較放大器、電壓采樣電阻、LX開關保護電路等。芯片外部只需要一個電感、一個輸出電容和一個肖特基二極管就可以提供穩定的低噪聲輸出電壓。該穩壓器具有8μA的極低輸入電流、低紋波、低噪聲特性,效率可達到80%,并具有0.6 V的極低啟動電壓,輸出電壓精度可達±2.5%。該部分電路如圖2所示。

圖2 驅動LED穩壓電路
其中331C外圍的電感和二極管會影響轉換效率,此外,電容和電感也會影響輸出波紋。因此。設計時應選擇合適的電感、電容和肖特基二極管以獲得較高的轉換效率和較低的波紋和噪聲。根據331C的數據手冊,本設計選擇47μH且小于0.5 Ω的電感和47μF的低ESR的鉭電容。用于整流的二極管對DC-DC的效率影響很大,雖然普通的二極管也能夠使DC-DC電路工作正常,但是會降低DC-DC轉換器5%~10%的效率,所以D3采用正向導通電壓較低、反應時間較短的肖特基二極管lN5817。
2.3光控電路
超級電容器太陽能草坪燈需要光控開關電路來控制LED的開關。以便在周圍環境光線變暗時點亮LED,并當光線變亮時關閉LED。有些光控開關電路采用光敏電阻來開關LED,也可以直接采用太陽能電池做光敏開關,因為太陽能電池特性比光敏電阻好。這部分電路如圖3所示。

圖3 光控電路
圖3中,U1為帶施密特觸發器的六反相器74HC14,其中的多諧振蕩器由第二個反相器與R5和C1構成。這樣,在白天光線變亮時,太陽能電池電壓升高,74HC14的1腳為高電平,74HC14的2腳為低電平,8腳同樣輸出低電平,三極管Q1截至,LED關斷。而當光線變暗時,太陽能電池電壓降低到一定程度時,HC14的1腳為低電平,HC14的2腳為高電平,多諧振蕩器開始振蕩,并經過Y4輸出高、低電平,Q2時而導通時而截至,此時只要調節R6和C1的值,以把閃光頻率調節到人眼不能分辨即可,這樣做的最大好處是可以延長草坪燈工作時間。經實際測試,該電路可以每天連續工作10小時以上,完全可以達到用戶的使用需求。
3.關于電容器太陽能草坪燈設計的常見問題
3.1 LED燈泡中電容的作用是什么?
取決于你使用的是哪種電容器。有兩種類型的電源操作 LED:
便宜的,由電壓降整流器電路供電,其中降壓功能由聚酯薄膜電容器執行,高達 2 微法拉。還有一個大約 100 微法拉的電解液,可以防止浪涌并平滑直流電壓。
然后是真正的 LED 燈,它有一個小的驅動模塊,它是一個降壓轉換器,控制提供給 LED 串的電流。通常,這是大約 300 mA。電壓根據燈的額定值而變化,從大約 25V 到 80V。驅動模塊中通常有高壓電解和低壓電解。這些用于平滑 HV 輸入和 LV 輸出。
3.2 LED燈的電容有什么作用?
電容器通常用于 LED 驅動器以平滑和減少來自電源的紋波。為 LED 照明系統選擇合適的電容器有助于避免閃爍、消除過熱并確保 LED 燈的使用壽命。
3.3 LED燈需要電容嗎?
需要一個電容器,因為雖然 LED 顏色變化會因電阻、電感、電源質量等原因導致較大的壓降,但問題在于這些智能 LED 中有一個小型微控制器,對掉電很敏感(輸入電壓下降)。
3.4 LED 需要多大尺寸的電容器?
針對典型的 LED 照明電路來說,對于 C1、C2 和 C3,應選擇額定 AC 250Vrms 的安全認可電容器。C6是二極管的緩沖電容;需要額定承受 DC 250V 至 DC 630V 的部件,這些部件可以具有 X7R 溫度特性。
3.5 電容器會阻止 LED 閃爍嗎?
電容器實際上可以用來減少閃爍,但它們需要與 LED 二極管本身并聯,而不是與電源連接。
3.6 電容器和電池有什么區別?
電池 可以將化學能轉化為電能的裝置。電容器 用于儲存能量的電子元件。與以化學方式儲存能量的電池不同,電容器以物理方式儲存能量,其形式與靜電非常相似。
3.7 將帶電的電容器連接到燈泡時會發生什么?
當一個電容器放在一個包含一個燈泡和一個電池的電路中時,電容器最初會充電,隨著充電的發生,電路中將出現非零電流,因此燈泡會亮起。
3.8 當用電容器設計太陽能草坪燈時,電容器會增加電壓嗎?
電容器不會增加電壓。在直流電路中,連接一個充電的電容器作為電源將提供電容器的電位作為電源電壓,隨著電容器放電,這將隨著時間的推移而減少。
3.9 可以用電容器作為電池嗎?
施加在導體上的電壓會在電容器中產生電場,從而存儲能量。電容器像電池一樣工作,如果在其兩端施加可能導致電荷大于其“當前”電荷的電勢差,它將被充電。
結語
以上就是基于電容器的太陽能草坪燈設計介紹了。本設計采用了超級電容和集成的DC-DC芯片,因而整個電路設計簡單,可靠性高,屬于綠色環保產品。電子設備本身就是一種最先進的技術,它非常小,可以焊接到超級電容器上。即使在多云的天氣它也可以充電,可以把它放在任何你喜歡的外殼里。而該草坪燈很好的結合了太陽能和超級電容器的優勢,它無需安裝其他電源,就可以主動發光,還能夠根據環境光線的強弱自動控制燈的開關,并且安裝方便、不用布線、工作穩定可靠、免維護、環保無污染、使用壽命長,可廣泛應用于廣場綠地、小區草坪等場所。
電話:18923864027(同微信)
QQ:709211280
〈烜芯微/XXW〉專業制造二極管,三極管,MOS管,橋堆等,20年,工廠直銷省20%,上萬家電路電器生產企業選用,專業的工程師幫您穩定好每一批產品,如果您有遇到什么需要幫助解決的,可以直接聯系下方的聯系號碼或加QQ/微信,由我們的銷售經理給您精準的報價以及產品介紹

