一、電動自行車
隨著環境污染問題的日益嚴峻,政府不斷出臺環保政策,例如廣東最近開始的“禁塑令”。汽車尾氣也是主要的環境污染源之一,潔凈、環保、便捷的新能源交通工具被人們寄以改善環境的厚望,且由于中國人口基數大、交通擁堵問題嚴重、人均消費水平不是太高等特點,電動自行車在我國擁有了良好的發展前景。
電動自行車
二、無刷直流電機
電動自行車的電機主要采用永磁電機,按照通電方式的不同,又可分為有刷電機和無刷電機。無刷直流電機以其控制簡單、調速范圍廣等優點,成為了電動自行車行業的主流電機。


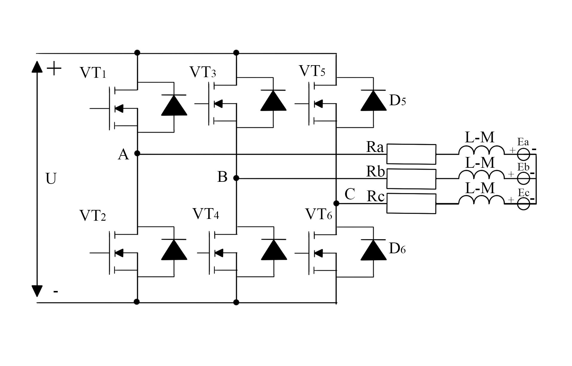
【三相全橋驅動電路】
無刷直流電機采用全橋驅動方式,電路通電順序為A進B出、A進C出、B進C出、B進A出、C進A出、C進B出。
三、電動自行車控制器
電動自行車控制器為電動自行車的核心,其控制著無刷直流電機及其他功能部件。電動自行車控制器的自檢程序會對每個模塊進行檢測,把結果轉換為調速型號,控制功率放大和功率MOS管的導通和關斷,進而驅動無刷直流電機旋轉。
2014年,WANG LEI設計出一種基于STM8S903K3的電動執行車控制器,對無刷直流電機的控制采用上管PWM調制,下管恒通的調制方式,具有三擋變速、限速、EABS剎車、過流保護、欠壓保護、電機自動識別、助力、巡航等功能。
四、電動自行車控制器主要參數
控制器核心STM8S903K3
電壓變換芯片LM317T/LM7805
蓄電池輸出電壓48V
工作電流15A
轉把輸出信號1~4.1V
當電流超過23A時,進行過電流保護
功能模塊電壓5V
功率MOS管驅動電路電壓15V
功率開關電路電壓48V


【電動自行車控制器硬件整體框圖】
五、控制器驅動電路
無刷直流電機的驅動電路包括功率開關電路和信號處理電路,此控制器采用自舉法來驅動三相逆變電路上橋的功率MOSFET,驅動電路具有自舉升壓、功率放大、硬件互鎖、為電機電流檢測電路提供輸入等功能。


【自舉法驅動原理】


【U相全橋驅動電路】
〈烜芯微/XXW〉專業制造二極管,三極管,MOS管,橋堆等,20年,工廠直銷省20%,上萬家電路電器生產企業選用,專業的工程師幫您穩定好每一批產品,如果您有遇到什么需要幫助解決的,可以直接聯系下方的聯系號碼或加QQ/微信,由我們的銷售經理給您精準的報價以及產品介紹
聯系號碼:18923864027(同微信)
QQ:709211280

