
傳真:
18923864027
QQ:
709211280
地址:
深圳市福田區振中路84號愛華科研樓7層
三極管放大電路中的固定偏置介紹就是讓放大器有一個工作電壓,這就與動物一樣,動物會于活,但是須要你給它食物讓它有活動的能力!跟它一個
NPN,PNP型三極管的工作原理介紹NPN型三極管和PNP型三極管這是按三極管按結構分類的,NPN型是兩塊N型半導體以及一塊P型半導體組成,如下圖左
雙三極管驅動LED的多諧振蕩器原理解析雙三極管多諧振蕩器是一款應用較廣的常見電路形式,但對其原理描述卻不多見。附圖是一款雙三極管多諧
三極管變色閃光燈電路圖和多諧振蕩器原理三極管繼電器延時吸合電路及原理三極管繼電器延時吸合電路是 三極管組成的繼電器延時吸合電路。剛
三極管的放大區,飽和區,截止區怎么區分發射極正偏集電極反偏,三極管處于放大狀態;發射極正偏集電極正偏工作在飽和區;發射極反偏集電極反
三極管恒流源計算公式分享這個恒流源的電流計算公式是 I = Vbe R1我解釋下舉個例子,R2怎么取值?Vbe的電壓一定,硅型三極管是0 7V,鍺
三極管的管腳,性能與主要參數檢測晶體三極管。三極管是電子裝置中的重要元件,它的質量優劣直接關系到系統工作的可靠性和穩定性,因此,它
如何判斷三極管的基極三極管管腳極性的識別多數小功率三極管的管腳是等腰三角形排列,其頂點是基極,左邊是發射極,右邊是集電極。有的是從
三極管內部載流子的運動規律,電流分配關系與放大作用一、三極管的三種連接方式三極管在電路中的連接方式有三種:①共基極接法;②共發射極
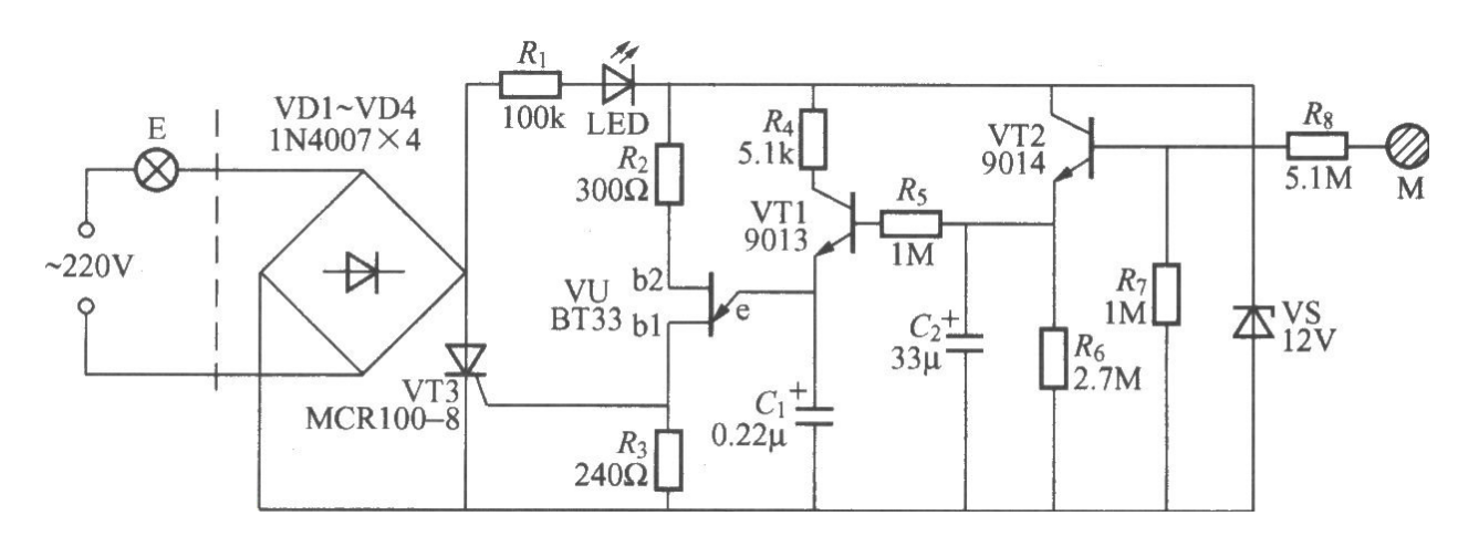
用基極三極管BT33制作的觸摸開關燈電路介紹BT33管腳排列圖觸摸式漸暗延遲燈電路本電路圖所用到的元器件:MMCR100-8 9013 9014 BT33觸摸
普通三極管管腳判斷圖普通的三極管中間為B極,你只要把B極插對,另兩個腳就假想為C、E兩腳,先在NPN上試,兩次假想,一次為C一次為E、只要
三極管音頻放大電路圖解最簡單的三極管音頻放大電路調節R1大小,使在最大輸出時信號不失真即可,減小R可輸出更大的功率。如果有萬用表,可